info@mehprivod.ru
ООО Мехтехника
Тел.: 8 (800) 505-36-88

Червячные мотор-редукторы двухступенчатые DRV 30/40, DRV 30/50, DRV 30/63, DRV 40/75, DRV 40/90, DRV 50/110, DRV 50/130, DRV 63/150

Червячные мотор-редукторы двухступенчатые DRV 30/40, DRV 30/50, DRV 30/63, DRV 40/75, DRV 40/90, DRV 50/110, DRV 50/130, DRV 63/150

Двухступенчатый червячный мотор-редуктор DRV состоит из двух соединенных в единую конструкцию редукторов NMRV. Между собой ступени соединяют с помощью фланца, крутящий момент передается от быстроходной ступени к тихоходной, передаточные числа каждого редуктора при этом умножаются. С помощью мотор-редукторов серии DRV можно получить скорость вращения выходного вала от 28 до 0,2 об/мин и момент от 60 до 2200 н-м. В зависимости от расположения червячных пар в пространстве при эксплуатации редуктора могут быть выполнены по одному из вариантов расположения, представленных ниже. В зависимости от варианта сборки редуктора тихоходный вал может быть одноконцевым, двухконцевым или полым.

Цена: от 7 400 руб.

  • Модель: DRV
  • Размер: 30/40 - 30/50 - 30/63 - 40/75 - 40/90 - 50/110 - 50/130
  • Передаточное число: "i" = 300:1 - 3200:1
  • Мощность: 0,06 - 1,5 квт
  • Крутящий момент: 68 - 2150 Нм

Общее описание:

Схема типового обозначения

тип

типоразмер

переда-
точное число

исполнение

электро- двигатель

двух-
сторонний входной вал

цилиндрический выходной вал

выходной фланец

реактивная штанга

NMRV

030 - 130

5 - 3200

E

SS - односторонний

FL - широкий

A

мощность и
обороты
электро-
двигателя

NRV

PCRV

DS - двухсторонний

DRV

Пример условного обозначения в заказе

DRV - 040/075 - 3000 - 0.5 - 0.06 - AS1

DRV - червячный двухступенчатый мотор-редуктор;
040/075 - комбинация редукторов 040 и 075 габаритов;
3000 - передаточное число;
0,5 - частота вращения выходного вала (об/мин);
0,06 - мощность электродвигателя (кВт);
AS1 - монтажная позиция.

Монтажные позиции мотор-редуктора DRV

Монтажные позиции мотор-редуктора DRV

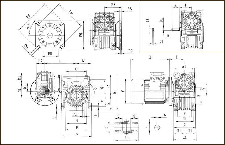
Габаритные и присоединительные размеры

Габаритные и присоединительные размеры DRV

DRV

A

A1

В

С

C1

D
(H7)

D1
(J6)

E
(h8)

F

G

H

H1

H2

l

J

К

L

L1

M

M1

N

N1

O

O1

P

030/040

100

80

121.5

70

60

18
(19)

9

60

43

71

75

36.5

29

55

51

20

120

78

50

40

71.5

57

40

30

87

030/050

120

80

144

80

70

25
(24)

9

70

49

85

85

43.5

29

55

51

20

130

92

60

40

84

57

50

30

100

030/063

144

80

174

100

85

25
(28)

9

80

67

103

95

53

29

55

51

20

145

112

72

40

102

57

63

30

110

040/075

172

100

205

120

90

28
(35)

11

95

72

112

115

57

36.5

70

60

23

165

120

86

50

119

71.5

75

40

140

040/090

206

100

238

140

100

35
(38)

11

110

74

130

130

67

36.5

70

60

23

182

140

103

50

135

71.5

90

40

160

050/110

252.5

120

295

170

115

42

14

130

-

144

165

74

43.5

80

74

30

225

155

127.5

60

167.5

84

110

50

200

063/130

292.5

144

335

200

120

45

19

180

-

155

215

81

53

95

90

40

245

170

147.5

72

187.5

102

130

63

250

063/150

340

144

400

240

145

50

19

180

-

192

215

81

53

95

90

40

268

200

170

72

230

102

130

63

250

DRV

Q

R

S

T

V

PA

PB

PC

PE

PM

PN
(H8)

PO

PP

PQ

a

a1

b

b1

t

t1

m

kg

030/040

55

6.5

26

6.5

35

67

7

4

M6x8
(n=4)

75

60

9
(n=4)

110

110

45°

45°

6(6)

3

20.8
(21.8)

10.2

-

3.9

030/050

64

8.5

30

7

40

90

9

5

M8x10
(n=4)

85

70

11
(n=4)

125

110

45°

45°

8(8)

3

28.3
(27.3)

10.2

-

5.0

030/063

80

8.5

36

8

50

82

10

6

M8x14
(n=8)

150

115

11
(n=4)

180

142

45°

45°

8(8)

3

28.3
(31.3)

10.2

-

7.8

040/075

93

11

40

10

60

111

13

6

M8x14
(n=8)

165

130

14
(n=4)

200

170

45°

45°

8(10)

4

31.3
(38.3)

12.5

-

12.0

040/090

102

13

45

11

70

111

13

6

M10x18
(n=8)

175

152

14
(n=4)

210

200

45°

45°

10(10)

4

38.3
(41.3)

12.5

-

16.0

050/110

125

14

50

14

85

131

15

6

M10x18
(n=8)

230

170

14
(n=8)

280

260

45°

45°

12

5

45.3

16.0

M6

39.2

063/130

140

16

60

15

100

140

15

6

M12x21
(n=8)

255

180

16
(n=8)

320

290

45°

22.5°

14

6

48.3

21.5

M6

55.0

063/150

180

18

72,5

18

120

155

15

6

M12x21
(n=8)

255

180

16
(n=8)

320

290

45°

22.5°

14

6

53.8

21.5

M6

91

Объём заливаемого масла (л)

RV

030

040

050

063

075

090

110

130

150

B3

0.042

0.081

0.153

0.3

0.58

1.02

3.02

4.55

7

B8

2.25

3.35

5.1

B6,B7

2.55

3.55

5.4

V5,V6

3.02

4.55

7

Мощности подключаемых электродвигателей (кВт)

0,06 - 0,09

0,12 - 0,37

0,55 - 1,5